Major Parts Of Cooling System . The primary job of the cooling system is to keep the engine from. When the car is moving, this happens anyway; A cooling system in a car keeps the engine from getting too hot. A radiator is a major component of the cooling system. A mixture of water and antifreeze, called coolant, absorbs heat. It is the main function of the engine cooling system. Its main function is to reduce the coolant’s temperature after it passes through the water jacket. The cooling system performs the following important functions: But when it is stationary a fan is used to help the airflow. The radiator needs a constant flow of air through its core to cool it adequately.
from mechanicaljungle.com
But when it is stationary a fan is used to help the airflow. The primary job of the cooling system is to keep the engine from. A mixture of water and antifreeze, called coolant, absorbs heat. A radiator is a major component of the cooling system. The cooling system performs the following important functions: The radiator needs a constant flow of air through its core to cool it adequately. A cooling system in a car keeps the engine from getting too hot. It is the main function of the engine cooling system. Its main function is to reduce the coolant’s temperature after it passes through the water jacket. When the car is moving, this happens anyway;
How Does a Cooling Tower Work? Cooling Towers Parts of Cooling Tower
Major Parts Of Cooling System When the car is moving, this happens anyway; The radiator needs a constant flow of air through its core to cool it adequately. The cooling system performs the following important functions: But when it is stationary a fan is used to help the airflow. When the car is moving, this happens anyway; Its main function is to reduce the coolant’s temperature after it passes through the water jacket. A radiator is a major component of the cooling system. A mixture of water and antifreeze, called coolant, absorbs heat. The primary job of the cooling system is to keep the engine from. A cooling system in a car keeps the engine from getting too hot. It is the main function of the engine cooling system.
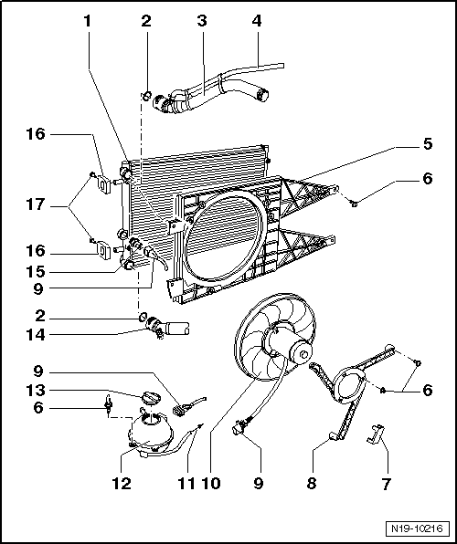
From workshop-manuals.com
Volkswagen Service and Repair Manuals > Polo Mk5 > Power unit Major Parts Of Cooling System It is the main function of the engine cooling system. A mixture of water and antifreeze, called coolant, absorbs heat. A cooling system in a car keeps the engine from getting too hot. The cooling system performs the following important functions: The radiator needs a constant flow of air through its core to cool it adequately. When the car is. Major Parts Of Cooling System.
From www.iqsdirectory.com
Cooling Tower What is it? How Does It Work, Types Of Major Parts Of Cooling System The cooling system performs the following important functions: Its main function is to reduce the coolant’s temperature after it passes through the water jacket. But when it is stationary a fan is used to help the airflow. It is the main function of the engine cooling system. A radiator is a major component of the cooling system. A cooling system. Major Parts Of Cooling System.
From www.angi.com
All the Parts Of an HVAC System Explained Major Parts Of Cooling System It is the main function of the engine cooling system. A cooling system in a car keeps the engine from getting too hot. Its main function is to reduce the coolant’s temperature after it passes through the water jacket. A mixture of water and antifreeze, called coolant, absorbs heat. The radiator needs a constant flow of air through its core. Major Parts Of Cooling System.
From www.carparts.com
Main Components of Your Cooling System In The Garage with Major Parts Of Cooling System The radiator needs a constant flow of air through its core to cool it adequately. When the car is moving, this happens anyway; But when it is stationary a fan is used to help the airflow. It is the main function of the engine cooling system. Its main function is to reduce the coolant’s temperature after it passes through the. Major Parts Of Cooling System.
From schematiccotillion.z14.web.core.windows.net
Diagram Cooling Tower Parts Major Parts Of Cooling System A mixture of water and antifreeze, called coolant, absorbs heat. But when it is stationary a fan is used to help the airflow. A cooling system in a car keeps the engine from getting too hot. The cooling system performs the following important functions: A radiator is a major component of the cooling system. It is the main function of. Major Parts Of Cooling System.
From userlibraryheike.z19.web.core.windows.net
Diagram Of Cooling System In A Car Major Parts Of Cooling System Its main function is to reduce the coolant’s temperature after it passes through the water jacket. The radiator needs a constant flow of air through its core to cool it adequately. When the car is moving, this happens anyway; It is the main function of the engine cooling system. The cooling system performs the following important functions: The primary job. Major Parts Of Cooling System.
From www.slideserve.com
PPT Lubrication and Cooling System in an Engine PowerPoint Major Parts Of Cooling System The primary job of the cooling system is to keep the engine from. It is the main function of the engine cooling system. When the car is moving, this happens anyway; A mixture of water and antifreeze, called coolant, absorbs heat. Its main function is to reduce the coolant’s temperature after it passes through the water jacket. The radiator needs. Major Parts Of Cooling System.
From www.wellfarengineparts.com
Function, Requirement And Main Parts Of Cooling System Engine Major Parts Of Cooling System Its main function is to reduce the coolant’s temperature after it passes through the water jacket. But when it is stationary a fan is used to help the airflow. The primary job of the cooling system is to keep the engine from. A radiator is a major component of the cooling system. A cooling system in a car keeps the. Major Parts Of Cooling System.
From www.trucknews.com
How to maintain your HD engine coolant system Truck News Major Parts Of Cooling System Its main function is to reduce the coolant’s temperature after it passes through the water jacket. The radiator needs a constant flow of air through its core to cool it adequately. A mixture of water and antifreeze, called coolant, absorbs heat. The primary job of the cooling system is to keep the engine from. It is the main function of. Major Parts Of Cooling System.
From www.researchgate.net
Schematic diagram of a conventional cooling system [2]. Download Major Parts Of Cooling System It is the main function of the engine cooling system. A radiator is a major component of the cooling system. When the car is moving, this happens anyway; Its main function is to reduce the coolant’s temperature after it passes through the water jacket. A mixture of water and antifreeze, called coolant, absorbs heat. The primary job of the cooling. Major Parts Of Cooling System.
From myautorepair.blogspot.com
MyAutoRepair How Engine Coolant Flows in a Cooling System? Major Parts Of Cooling System The cooling system performs the following important functions: But when it is stationary a fan is used to help the airflow. When the car is moving, this happens anyway; A cooling system in a car keeps the engine from getting too hot. A mixture of water and antifreeze, called coolant, absorbs heat. A radiator is a major component of the. Major Parts Of Cooling System.
From www.youtube.com
Cooling System Parts, Working and Purpose of Cooling System Major Parts Of Cooling System When the car is moving, this happens anyway; A radiator is a major component of the cooling system. But when it is stationary a fan is used to help the airflow. Its main function is to reduce the coolant’s temperature after it passes through the water jacket. It is the main function of the engine cooling system. The radiator needs. Major Parts Of Cooling System.
From mechanicaljungle.com
How Does a Cooling Tower Work? Cooling Towers Parts of Cooling Tower Major Parts Of Cooling System The primary job of the cooling system is to keep the engine from. A mixture of water and antifreeze, called coolant, absorbs heat. Its main function is to reduce the coolant’s temperature after it passes through the water jacket. When the car is moving, this happens anyway; It is the main function of the engine cooling system. The cooling system. Major Parts Of Cooling System.
From www.tomshardware.com
Cooling Theory Made Easy How To Properly Plan And Pick Parts For An Major Parts Of Cooling System The radiator needs a constant flow of air through its core to cool it adequately. It is the main function of the engine cooling system. A radiator is a major component of the cooling system. The primary job of the cooling system is to keep the engine from. The cooling system performs the following important functions: But when it is. Major Parts Of Cooling System.
From www.teamtractor.com
Safely Service Your Tractor Cooling System Team Tractor & Equipment Major Parts Of Cooling System When the car is moving, this happens anyway; A radiator is a major component of the cooling system. A mixture of water and antifreeze, called coolant, absorbs heat. The primary job of the cooling system is to keep the engine from. A cooling system in a car keeps the engine from getting too hot. Its main function is to reduce. Major Parts Of Cooling System.
From www.carparts.com
What's the Difference Between Your Car’s Air Conditioner & Heater? In Major Parts Of Cooling System A radiator is a major component of the cooling system. The cooling system performs the following important functions: A mixture of water and antifreeze, called coolant, absorbs heat. But when it is stationary a fan is used to help the airflow. When the car is moving, this happens anyway; A cooling system in a car keeps the engine from getting. Major Parts Of Cooling System.
From www.carparts.com
Where is the Radiator Located? In The Garage with Major Parts Of Cooling System The cooling system performs the following important functions: A cooling system in a car keeps the engine from getting too hot. It is the main function of the engine cooling system. A mixture of water and antifreeze, called coolant, absorbs heat. Its main function is to reduce the coolant’s temperature after it passes through the water jacket. The radiator needs. Major Parts Of Cooling System.
From wiringfixmouchard.z13.web.core.windows.net
Parts Of A Vehicle Cooling System Major Parts Of Cooling System A radiator is a major component of the cooling system. Its main function is to reduce the coolant’s temperature after it passes through the water jacket. But when it is stationary a fan is used to help the airflow. The radiator needs a constant flow of air through its core to cool it adequately. The primary job of the cooling. Major Parts Of Cooling System.